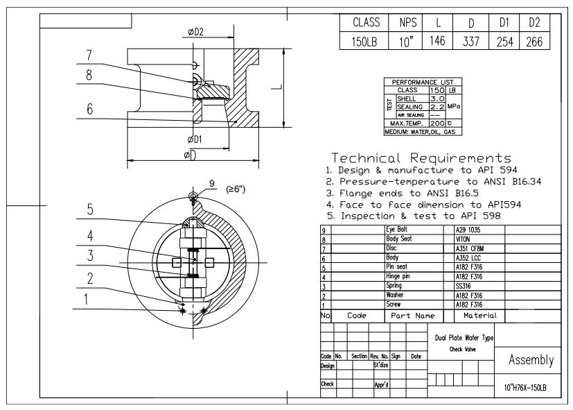
Corpo valvola
|
A352 LCC
|
Disco
|
API 594
|
Tipo di connessione
|
Doppia flangia rf
|
Dimensione faccia a faccia
|
API 594
|
Flangia Dim
|
ANSI B16.5
|
Standard di prova
|
API 598
|
Temperatura di pressione
|
ANSI B16.34
|
Valvola di controllo del wafer a doppia piastra
Disegno tecnico

Caratteristiche chiave:
1. Costruito con materiale LCC, questa valvola di controllo a doppia piastra da 10 "da 150 libbre offre resistenza a bassa temperatura e resistenza alla corrosione migliorata.
2. Progettato con un corpo di wafer e estremità RF, soddisfa gli standard API per una prevenzione efficiente del riflusso e una facile installazione tra le flange.