Amoybrand

Valvola di controllo a doppia piastra da 20 "Valvola di ritegno a doppia piastra LCC API594
Valvola di controllo a doppia piastra da 20 "Valvola di ritegno a doppia piastra LCC API594

Valvola di controllo a doppia piastra da 20 "Valvola di ritegno a doppia piastra LCC API594

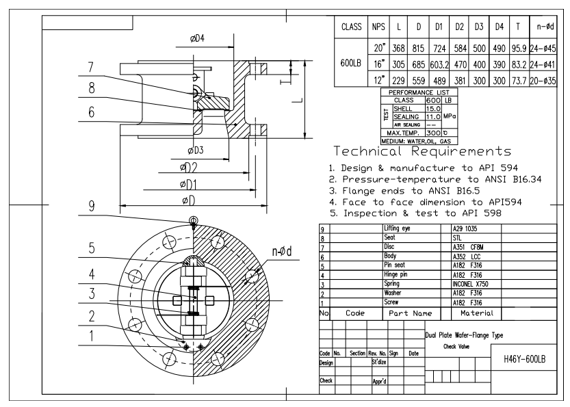
Dervos offre una valvola di controllo del wafer premium progettata per applicazioni industriali esigenti. Realizzato da A352 LCC, 20 "600lb, Valvola di controllo a doppia piastra da 20 "600 libbre ha le caratteristiche strutturali della doppia piastra.

  • VALVOLA :

    Valvola di ritegno del wafer
  • Materiale del corpo :

    A352 LCC
  • Dimensione della valvola :

    20"
  • Standard di progettazione :

    API 594
  • CONNESSIONE :

    CONNESSIONE
  • Max.temp. :

    300 ° C.
  • Dettagli del prodotto

 

Valvola di controllo del wafer a doppia piastra Disegno tecnico

 

Caratteristiche chiave:

  1. La valvola di controllo del wafer a doppia piastra da 20 "da 600 libbre presenta un design del corpo LCC compatto che offre una resistenza di resistenza e corrosione eccellente in condizioni di alta pressione.
  2. Conformata dagli standard API 594, questa valvola garantisce una prevenzione affidabile del backflow con una connessione di wafer a risparmio spaziale per una facile installazione della pipeline.

Corpo valvola

A352 LCC

Disco

API 594

Tipo di connessione

Doppia flangia rf

Dimensione faccia a faccia

API 594

Flangia Dim

ANSI B16.5

Standard di prova

API 598

Temperatura di pressione

ANSI B16.34

lasciate un messaggio

Se sei interessato ai nostri prodotti e vuoi sapere più dettagli, ti preghiamo di lasciare un messaggio qui, ti risponderemo il prima possibile.
Categorie

Ottieni l'aggiornamento giornaliero Non condivideremo mai il tuo indirizzo email con una terza parte.

lasciate un messaggio
Se sei interessato ai nostri prodotti e vuoi sapere più dettagli, ti preghiamo di lasciare un messaggio qui, ti risponderemo il prima possibile.