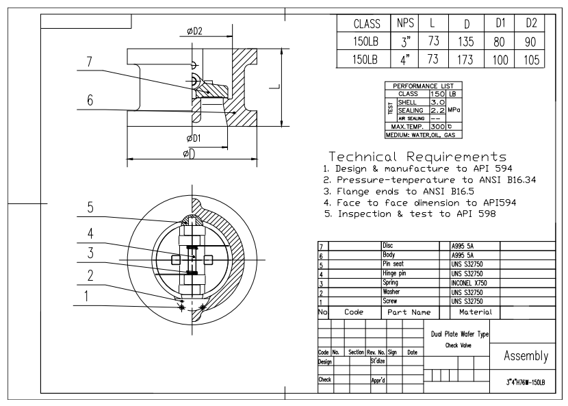
Corpo valvola
|
A995 5A
|
Disco
|
API 594
|
Tipo di connessione
|
Doppia flangia rf
|
Dimensione faccia a faccia
|
API 594
|
Flangia Dim
|
ANSI B16.5
|
Standard di prova
|
API 598
|
Temperatura di pressione
|
ANSI B16.34
|
Valvola di controllo del wafer a doppia piastra
Disegno tecnico

Caratteristiche chiave:
1. Realizzato in acciaio inossidabile duplex A995 grado 5A, questa valvola di ritegno da 4 "offre una resistenza di corrosione superiore in ambienti difficili.
2. Conformata dall'API 594, il design del wafer a doppia piastra garantisce una prevenzione efficiente del riflusso e l'installazione del risparmio spaziale.