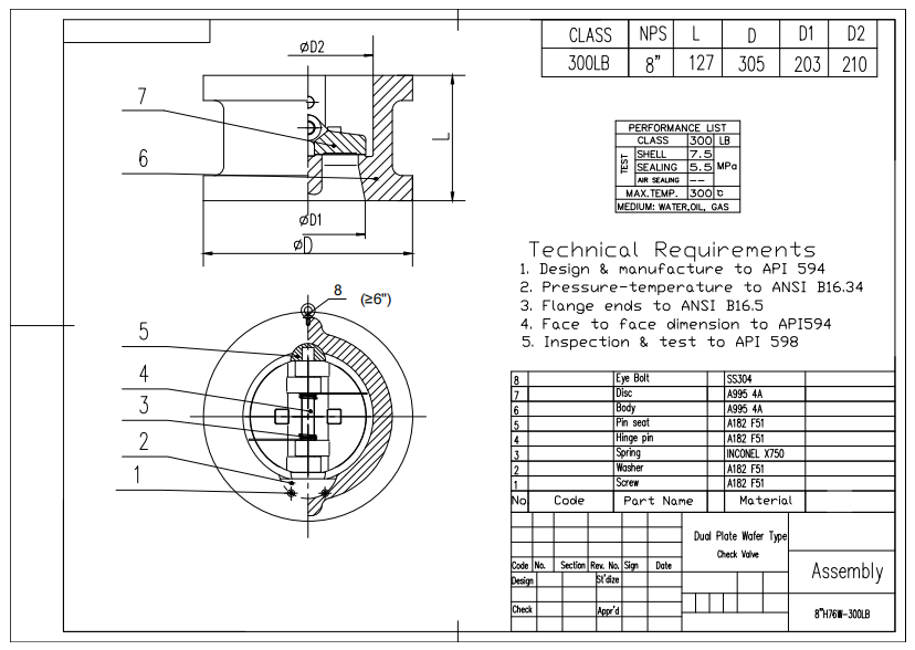
Corpo valvola
|
A995 4A
|
Disco
|
API 594
|
Tipo di connessione
|
Wafer rf
|
Dimensione faccia a faccia
|
API 594
|
Flangia Dim
|
ANSI B16.5
|
Standard di prova
|
API 598
|
Temperatura di pressione
|
ANSI B16.34
|
Valvola di controllo del wafer a doppia piastra
Disegno tecnico

Caratteristiche chiave:
1. Prodotto in acciaio inossidabile duplex A995 grado 4A, questa valvola di ritegno da 8 "offre un'eccellente resistenza meccanica e resistenza alla corrosione.
2. Progettata per gli standard API 594, la struttura del wafer a doppia piastra consente l'installazione compatta e le prestazioni non ritorni affidabili a pressione di 300 libbre.